What Is a Desorption Electrolytic System and Why Is It Essential for Modern Gold Extraction

2026-04-21 - Leave me a message

The Desorption Electrolytic System is a crucial technology in modern gold extraction, particularly in carbon-in-pulp (CIP) and carbon-in-leach (CIL) processes. This blog explores how the system works, its components, advantages, and why it has become a standard in efficient gold recovery. We also highlight how companies like EPIC are driving innovation in this field. By the end, you will have a comprehensive understanding of how this system enhances productivity, reduces costs, and improves recovery rates.

Desorption Electrolytic System

Table of Contents


What Is a Desorption Electrolytic System

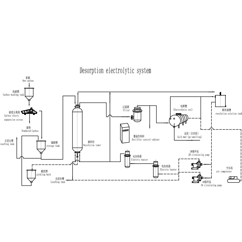
A Desorption Electrolytic System is an advanced gold recovery system used to extract gold from activated carbon. It is widely applied in mining operations where gold is absorbed onto carbon particles during the leaching process.

  • Desorption: Removes gold from carbon using high-temperature and high-pressure solutions
  • Electrolysis: Recovers gold from the solution onto cathodes
  • Closed-loop system: Ensures efficiency and minimal loss

This system is essential for improving recovery efficiency and reducing operational costs, making it a core component in modern gold processing plants.


How Does a Desorption Electrolytic System Work

The working principle of a Desorption Electrolytic System involves two main stages:

  1. Desorption Stage: Gold-loaded carbon is treated with a hot alkaline cyanide solution, releasing gold ions.
  2. Electrolysis Stage: The gold-rich solution passes through an electrolytic cell where gold deposits onto steel wool cathodes.

The process ensures high efficiency and allows for continuous operation, which is why systems from companies like EPIC are widely adopted in industrial applications.


Main Components of the System

Component Function
Desorption Column Holds activated carbon and facilitates gold removal
Electrolytic Cell Recovers gold through electrolysis
Heat Exchanger Maintains required temperature
Filter System Removes impurities from the solution
Control System Automates operation and monitors parameters

Each component plays a vital role in ensuring the system operates efficiently and consistently.


Technical Advantages and Features

  • High gold recovery rate (up to 98%)
  • Low energy consumption
  • Automated operation for reduced labor costs
  • Compact design for space efficiency
  • Environmentally friendly with minimal emissions

Manufacturers like EPIC continuously optimize these systems to meet evolving industry demands, ensuring better performance and reliability.


Applications in Gold Processing

The Desorption Electrolytic System is widely used in:

  • Gold mining plants
  • CIP (Carbon-in-Pulp) operations
  • CIL (Carbon-in-Leach) processes
  • Gold tailings recovery

Its versatility makes it suitable for both large-scale industrial mining and smaller operations seeking efficiency improvements.


Comparison with Traditional Methods

Feature Desorption Electrolytic System Traditional Methods
Efficiency High Moderate
Automation Fully automated Manual or semi-automated
Cost Lower long-term cost Higher operational cost
Environmental Impact Low Higher

Clearly, the modern system provides significant advantages over traditional gold recovery techniques.


Selection Guide for Buyers

When choosing a Desorption Electrolytic System, consider the following factors:

  • Processing capacity
  • Automation level
  • Energy efficiency
  • Manufacturer reputation (e.g., EPIC)
  • After-sales support

Selecting the right system ensures long-term operational success and maximized return on investment.


Maintenance and Operational Tips

  • Regularly inspect pipelines and valves
  • Monitor temperature and pressure levels
  • Clean electrolytic cells periodically
  • Replace worn-out components promptly
  • Follow manufacturer guidelines strictly

Proper maintenance significantly extends the lifespan of the system and ensures consistent performance.


FAQ

1. What is the main purpose of a Desorption Electrolytic System?

Its main purpose is to extract and recover gold from activated carbon efficiently.

2. How efficient is the system?

Most systems achieve a gold recovery rate of over 95%, depending on operating conditions.

3. Is the system environmentally friendly?

Yes, modern systems are designed to minimize emissions and reduce chemical waste.

4. Can it be customized?

Yes, companies like EPIC offer customizable solutions based on processing requirements.

5. What industries use this system?

Primarily the gold mining industry, but also in precious metal recovery applications.


Conclusion

The Desorption Electrolytic System represents a breakthrough in gold recovery technology, offering unmatched efficiency, reliability, and environmental performance. With continuous advancements from industry leaders like EPIC, this system is becoming increasingly essential for modern mining operations. If you are looking to optimize your gold extraction process and improve profitability, investing in a high-quality system is a smart choice. Contact us today to learn more about how we can provide tailored solutions for your needs.

Send Inquiry

X
We use cookies to offer you a better browsing experience, analyze site traffic and personalize content. By using this site, you agree to our use of cookies. Privacy Policy