English
Español
Português
русский
Français
日本語
Deutsch
tiếng Việt
Italiano
Nederlands
ภาษาไทย
Polski
한국어
Svenska
magyar
Malay
বাংলা ভাষার
Dansk
Suomi
हिन्दी
Pilipino
Türkçe
Gaeilge
العربية
Indonesia
Norsk
تمل
český
ελληνικά
український
Javanese
فارسی
தமிழ்
తెలుగు
नेपाली
Burmese
български
ລາວ
Latine
Қазақша
Euskal
Azərbaycan
Slovenský jazyk
Македонски
Lietuvos
Eesti Keel
Română
Slovenski
मराठी
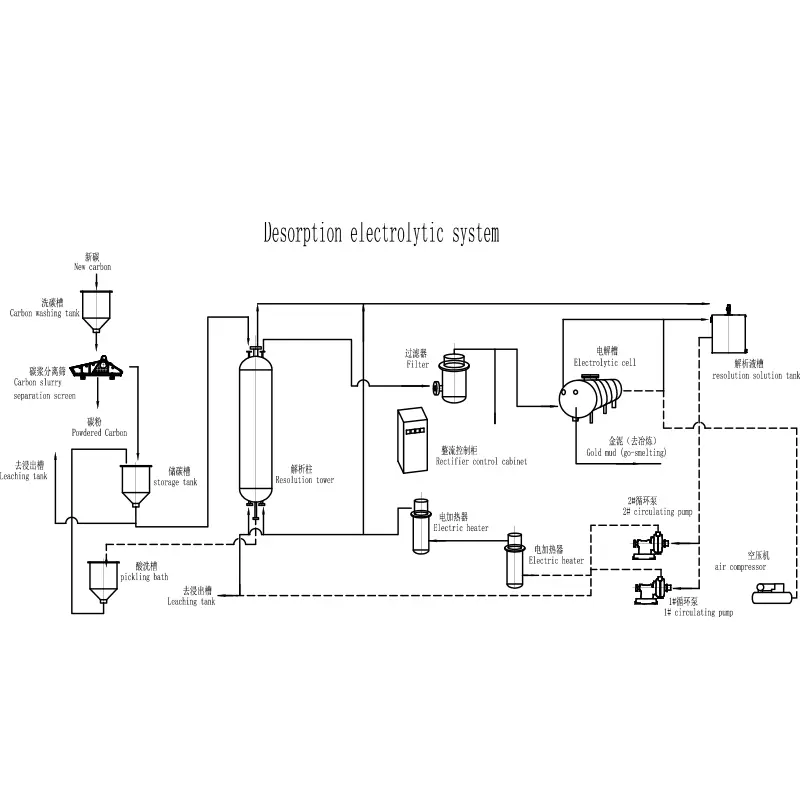
Srpski језик The Desorption Electrolytic System is a crucial technology in modern gold extraction, particularly in carbon-in-pulp (CIP) and carbon-in-leach (CIL) processes. This blog explores how the system works, its components, advantages, and why it has become a standard in efficient gold recovery. We also hi......
View DetailsThe submerged spiral classifier is a vital component in mineral processing that enhances the separation and classification of particles in various industries. In this article, we will explore the function, advantages, and applications of submerged spiral classifiers, as well as how EPIC's solutions ......
View DetailsLeaching agitation tanks are essential equipment in the mining industry, especially for extracting valuable metals from ores through leaching processes. In this blog, we will explore the importance, working principle, and various types of leaching agitation tanks used in the mining industry.
View DetailsA Submerged Spiral Classifier is a critical piece of equipment in mineral processing, designed to separate particles based on size and density through gravity sedimentation and mechanical motion. Widely used in mining, sand washing, and industrial classification systems, this machine ensures precise......
View DetailsThe Circular High Rate Inclined Plate Thickener (CHRIPT) is a vital piece of equipment used in the mining and mineral processing industry. Known for its ability to efficiently separate solids from liquids, this thickener is crucial in industries such as wastewater treatment, mineral processing, and ......
View DetailsThe Cylindrical Froth Flotation Cell is revolutionizing mineral processing with its optimized design, enhanced recovery rates, and energy-efficient performance. This comprehensive guide explores how cylindrical flotation cells differ from traditional models, their working principles, advantages, app......
View Details